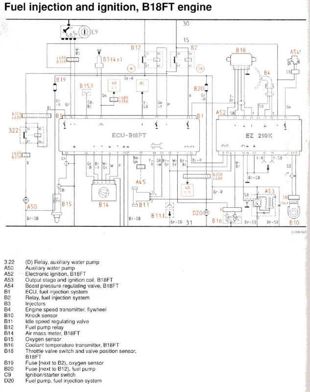
ez210k connection pin diagram
Moderators: jifflemon, coyote1980, Rachel
ez210k connection pin diagram
Hello, Does anyone have a pin diagram of the ez210k that they can share with me? Thank.
-
Optimistic
- Started learning about 480
- Posts: 86
- Joined: Thu Dec 30, 2021 2:01 pm


